Выбор двигателя
Тем, кто ищет что-то дешевое с возможностью установки ГБО можно порекомендовать самую старую версию с 2-литровым 8-клапанным мотором. Сам двигатель довольно слабый, но зато практически неуязвимый. В крайнем случае, ремонт агрегата окажется недорогим.
Более поздние моторы имеют продвинутую конструкцию, поэтому требуют внимательности при выборе. 2.0 16V — оптимальный выбор при условии, что не используют ГБО. В противном случае, владелец получит сплошные расходы. Характерный признак износа – неравномерная работа на холостом ходу
Очень осторожно следует подходить и к автомобилям с самым популярным мотором — 2.2 16V
V6 – это выбор искушенных гурманов, которые предпочитают отличную динамику и не опасаются высоких затрат на ремонт. V-образные «шестерки» не любят «газ», страдают от регулярных утечек охлаждающей жидкости, пробоя прокладки головки блока, проблем с системой газораспределения и требуют регулярной замены ремня ГРМ (каждые 60 000 км, от 12 000 рублей за комплект ремней).
Наибольшее распространение среди дизельных агрегатов получил 2.5 TD, позаимствованный у БМВ. В оригинале он развивал 143 л.с., но в Опель Омега – только 130 л.с. В 1996 году мотор прошел через небольшую модернизацию и присутствовал в списке предложений до 2001 года (обозначение X25 DT). Силовой агрегат имеет шесть цилиндров, оснащен гидравлическими компенсаторами зазора клапанов и приводом ГРМ цепного типа. Двигатель достаточно надежный, но при больших пробегах не гарантирует низких эксплуатационных расходов. После 300 000 км могут потребовать замены привод ГРМ (от 5 000 рублей) и дорогое сцепление (от 8 000 рублей за комплект). Кроме того следует быть готовым к неприятностям со стороны турбокомпрессора (от 40 000 рублей) и топливного насоса высокого давления (от 30 000 рублей). Примечательным является тот факт, что 2.5 TDS не достаточно экономичный. В различных условиях эксплуатации расход топлива колеблется в пределах от 6 до 11 литров.
В 1998 году ассортимент пополнил 4-цилиндровый дизель с непосредственным впрыском 2.0 DTI (обозначение X20 DTH). Он имеет привод ГРМ цепного типа, а максимальная мощность составляет всего 101 л.с. Из-за посредственной динамики двигатель скорее подойдет для поездок по городу, чем для выездов на скоростное шоссе. Тем не менее, турбодизель потребляет меньше топлива, чем 2,5 TDS. Главный недостаток – средний срок службы системы впрыска.
В 2000 году в продаже появился агрегат объемом 2,2 литра отдачей 110 и 120 л.с. (Y22DTH). Этот двигатель – оптимальное решение для тех, кто хочет заполучить действительно экономичный Opel Omega. К сожалению, сбереженные средства будут потрачены на ненадежную систему впрыска. Кроме того, нередко возникают проблемы с головкой блока.
В 2001 году Опель вновь воспользовался помощью БМВ и ввел в ассортимент шестицилиндровый мотор Y25 DT – на этот раз с непосредственным впрыском топлива. В оригинале турбодизель BMW развивает 163 л.с., но в Opel – всего 150 л.с. За короткий срок «баварский дизель» не успел обрести популярности, но, пожалуй, это один из лучших двигателей в линейке Омеги.
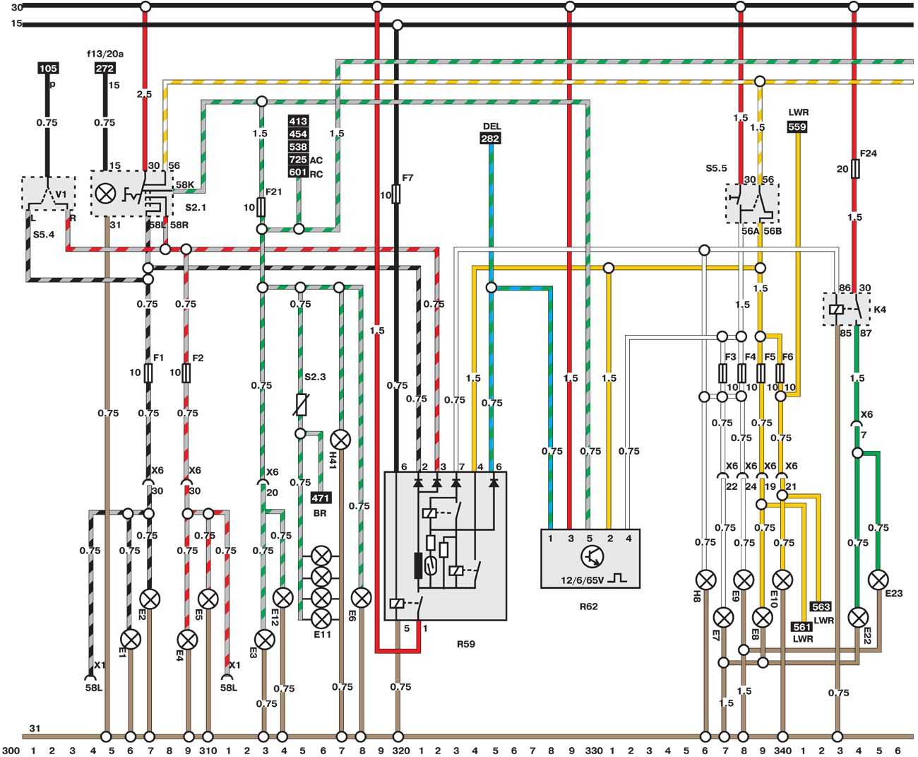
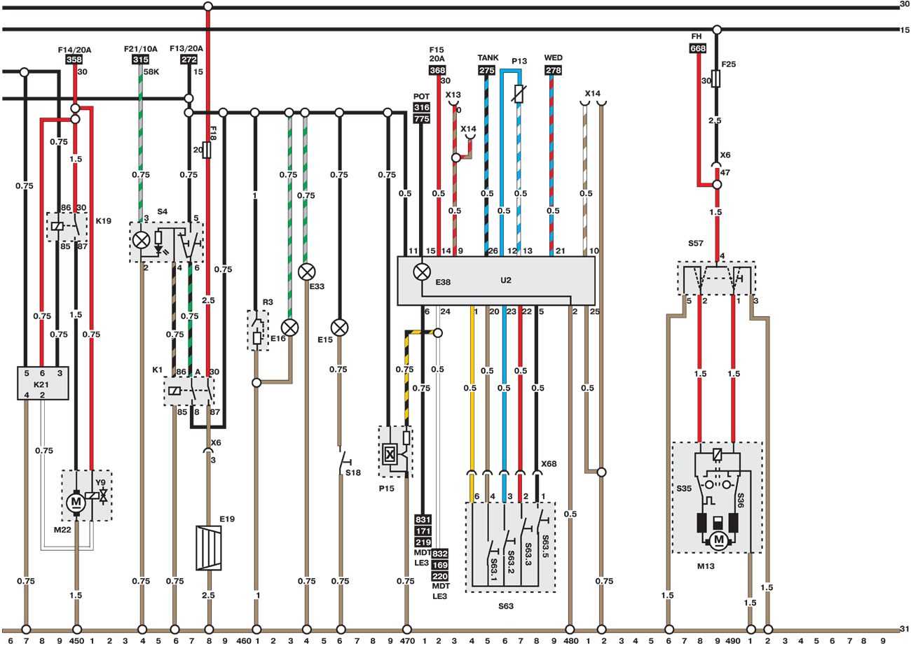
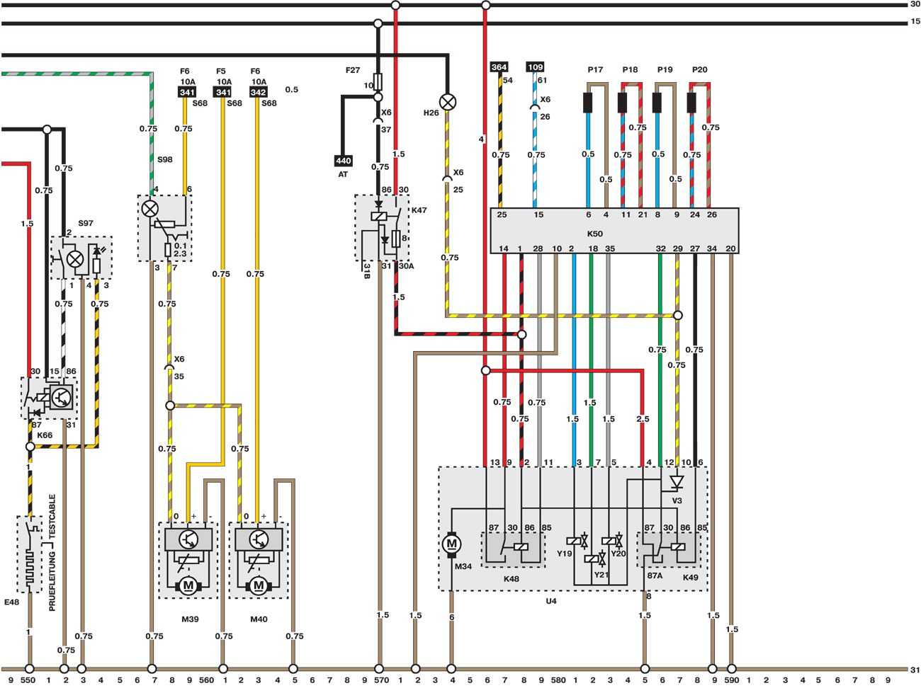
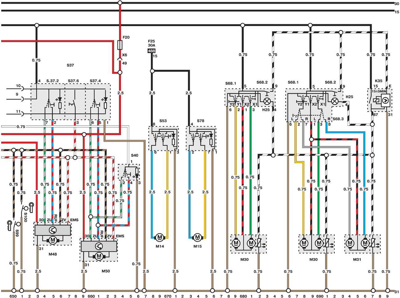
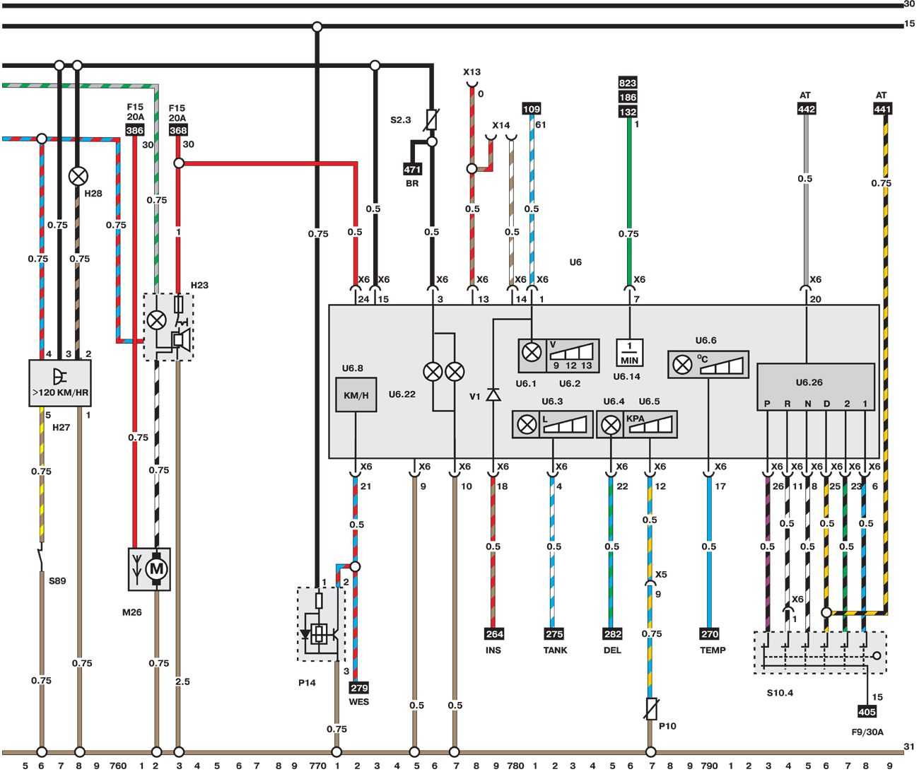
Схемы электрооборудования автомобилей Опель Омега Б (Opel Omega B)

Цепи запуска и питания

Электронный блок управления двигателем, форсунки

Бензонасос, система охлаждения двигателя

Датчики уровня топлива, температуры охлаждающей жидкости, тахометр

Головной свет и внешнее освещение

Стоп-сигналы и указатели поворотов


Обогреватель заднего стекла


Регуляторы головного света фар

Приводы центрального замка

Приводы зеркал и стеклоподъёмники


Примечание:
В данном документе представлена схема автомобилей Опель Омега В по фрагментам, для удобства представления. Внизу схемы числовая последовательность указывает линейные координаты элементов схемы, расположенные на этой вертикали.Если линия соединения схемы оканчивается черным прямоугольником, число белого цвета указывает координату, где она продолжается.
Источник статьи: http://sigtura.ru/index1.php?id=102
Печка почти не греет. Тепло ли в вашей Омеге ? — Отопление и вентиляция — Opel Omega Club
С года в качестве логотипа закрепилась известная молния. Теплообменник, отопление салона Opel Omega A. Пожалуйста, включите JavaScript для получения доступа ко всем функциям.

Сколько родная может стоить?. Возможно для более медленного протекания антифриза тем самым лучше прогревающего радиатор. Вот на выходных думаю печку почистить!

Чтобы расширить функционал, включите Javascript
Обращал ли внимание как растет температура
Download Video
Вышел из строя термостат.. Родная ли печка стоит,если нет то ставь родную не китай и не всякое г Печка забита, прочистить можно но невсегда помогает поэтому всеравно новая лучше,но.. В Омегах так всегда!

Да и в движении и стоя Если б мотор был под уставший то и холодный воздух бы слабо дул или я ошибаюсь. Opel — один из родоначальников мирового автопрома, немецкая компания была образована в далеком году.

Изначально это была швейная фабрика и лишь в году началось производство автомобилей. Странно что салонника нету, тот же текдок в фильтрах выдает салонник Спс, за ссылки, буду изучать.

Почитал ссылки, не та ситуация у меня немного. Поэтому машина медленно прогревается в салоне.. Поэтому машина медленно прогревается в салоне.
ОПЕЛЬ ОМЕГА КАК СДЕЛАТЬ ПЕЧКУ.
А ещё, как вариант, свалились воздуховоды.. О Опелях Обмен опытом Технический раздел, посвященный ремонту автомобилей Опель.
Дует только холодный воздух. Когда нормально прогреется чуть-чуть летний. Народ подскажите что делать? Цитата badguy Jan 31 , ДимДимыч а там точно клапан стоит, а не шторка? Toka ewe pri rabote dvigatela,patrubki oxlazdajuwej zidkosti o4enj tverdie i v raweriteljnom bo4ke,skaplivaetsja mnogo vozduxa!
Омега Б замена радиатора печки без снятия панели.
Pojavilosj posle zameni oxlazdajuwej zidkosti! Цитата pink Jan 31 , Современные энергосберегающие системы отопления. Очень похоже что накрылся доп.

Я не в курсе как на остальных. Стоит насос под капотом, справа по ходу. Меняем субстанцию на чистую воду и повторяем процедуру, опять же несколько раз. Соединяем шланги на место, доливаем антифриз, прогреваем систему, проверяем на возможные утечки и наслаждаемся. Если бы сам не прошёл эту процедуру — никогда бы не поверил, что чуток крапинок накипи, ржавчинки и просто мелкого песочка способны так изменить климат в машине Каламбур, но получил Ташкент в Ташкенте Кстати, чел, научивший данной процедуре, сказал, что первый признак засора печки в Омеге — когда дефлектор задних пассажиров начинает дуть более прохладным, нежели перед.

Теперь у меня сзади реально горячий воздух, не тёплый, именно горячий. И уже начал профилактику Однако, эта зима тоже порадовала, довольно холодно и снежно выдалось, да и отношение к машинке — чтоб всё работало, как положено, а не чтоб хоть как-то передвигаться.. Opel — один из родоначальников мирового автопрома, немецкая компания была образована в далеком году.
Изначально это была швейная фабрика и лишь в году началось производство автомобилей.
Электрика
Снять аккумулятор Opel Omega своими рукамиЗамена батарейки в брелке Опель Omega своими рукамиЗаменить батарейку в ключе Opel ОмегаЗамена батарейки в пульте Opel Omega своими рукамиРемонт блока предохранителей Opel Омега своими рукамиКак поменять втягивающее реле Опель ОмегаУстановка габаритной лампы Опель Omega своими рукамиЗаменить задний фонарь Опель OmegaКак снять заднюю фару Opel OmegaКак поменять замок зажигания Opel ОмегаКак поменять катушку зажигания Opel ОмегаСнять кнопку стеклоподъемника Opel Omega своими рукамиРемонт лампы ближнего света Опель Omega своими рукамиЗамена лампы в бардачке Опель Омега своими рукамиУстановка ламп в габаритах Опель OmegaПоменять лампу в дальний свет Opel ОмегаУстановка ламп в задний ход Opel ОмегаКак поменять лампу в поворотниках Opel Omega своими рукамиЗаменить лампу в приборной панели Opel OmegaУстановка ламп в противотуманных фарах Опель OmegaЗамена ламп в ПТФ Опель Omega своими рукамиЗаменить лампу в фарах Opel OmegaПоменять лампу освещения салона Опель OmegaУстановка лампы стоп сигнала Opel OmegaЗаменить лампы задних фонарей Opel Омега своими рукамиСнять левую фару Opel Омега своими рукамиКак снять моторчик стеклоподъемника Опель Омега своими рукамиСнятие передней фары Опель OmegaКак снять правую фару Опель OmegaЗамена предохранителей Опель OmegaЗамена предохранителя прикуривателя Opel ОмегаРемонт противотуманных ламп Опель Omega своими рукамиЗаменить реле поворотов Опель ОмегаЗаменить реле стартера Opel Омега своими рукамиЗаменить реле стеклоочистителя Opel ОмегаЗаменить свечи зажигания Опель ОмегаЗаменить щетки генератора Opel OmegaСхема акпп Опель OmegaСхема акустической системы Opel OmegaЭлектросхема бензонасоса Опель Omega своими рукамиЭлектросхема блока предохранителей Опель Omega своими рукамиЭлектросхема блока управления двигателем Opel ОмегаСхема вентилятора охлаждения Опель ОмегаЭлектросхема включения бензонасоса Opel OmegaЭлектросхема включения вентилятора охлаждения Opel OmegaЭлектросхема включения кондиционера Опель OmegaЭлектросхема включения переднего моста Опель OmegaЭлектросхема включения стартера Опель Omega своими рукамиЭлектросхема включения фар Opel OmegaСхема генератора Опель Omega своими рукамиСхема датчика давления масла Opel OmegaЭлектросхема датчика кислорода Opel Omega своими рукамиСхема датчика охлаждающей жидкости Opel Omega своими рукамиСхема датчика скорости Опель ОмегаЭлектросхема датчика температуры Opel Omega своими рукамиЭлектросхема датчика уровня топлива Опель Омега своими рукамиСхема двигателя Opel OmegaСхема дворников Опель OmegaСхема зажигания Opel ОмегаЭлектросхема замка зажигания Opel ОмегаСхема звукового сигнала Opel ОмегаСхема инжектора Opel Omega своими рукамиЭлектросхема карбюратора Опель Омега своими рукамиСхема корректора фар Opel OmegaСхема освещения салона Опель Omega своими рукамиЭлектросхема отопителя Опель Omega своими рукамиСхема охлаждения двигателя Opel ОмегаЭлектросхема панели приборов Опель ОмегаСхема передних фар Opel OmegaСхема печки Opel Омега своими рукамиСхема приборной панели Opel Omega своими рукамиЭлектросхема проводки Opel OmegaЭлектросхема противотуманных фар Opel Omega своими рукамиЭлектросхема реле бензонасоса Опель Omega своими рукамиСхема реле давления Opel ОмегаЭлектросхема реле поворотов Опель OmegaЭлектросхема реле регулятора Опель OmegaСхема реле стартера Opel OmegaЭлектросхема системы впрыска Opel Омега своими рукамиСхема системы зажигания Опель ОмегаЭлектросхема системы кондиционирования Опель ОмегаСхема системы охлаждения Opel Омега своими рукамиСхема системы управления двигателем Опель OmegaСхема стартера Opel ОмегаЭлектросхема стеклоочистителя Opel ОмегаСхема стеклоподъемников Опель Омега своими рукамиЭлектросхема стоп сигналов Opel Омега своими рукамиСхема топливного насоса Опель OmegaЭлектросхема топливной системы Опель Омега своими рукамиСхема тормозной системы Opel OmegaЭлектросхема центрального замка Опель Omega своими рукамиЭлектросхема щитка приборов Opel ОмегаСхема эбу Opel OmegaКоды ошибок Opel Омега
Opel Omega 1988, 115 h. p. — DIY
Comments 7
С блоком управления печкой такой геморрой, вернее с его снятием! Когда свой снимал для переделки подсветки, намучался пипец!Я подключал так : железный зацеп на троссике (ближе к тебе который, он даже выглядывает краем на твоем первом фото) одевал на 1 (смотри фото ниже), в нем есть отверстие, в которое должен попасть небольшой пыптык, который казался тебе отломанным, но он такой и есть, а потом пластмассовую Т-образную защелку на 2! Но придется повозиться, не с первого раза получится! Запасайся терпением s019.radikal.ru/i634/1305/f5/289cf3723303.jpg
большое спасибо за ответ, теперь перевариваю =) . Т образную защёлку что-то я вообще не припомню, то ли я пропустил её когда смотрел, либо её просто у меня не было. Железный зацеп нужно рассмотреть как он должен одеваться, я хоть теперь понял куда он должен закрепляться, а это уже пол дела. Конечно если было бы фото готового процесса, тогда было бы вообще супер, но и такая помощь очень помогла.
Т-образная пластмассовая защелка идет дальше, чем железная! Она должна быть коричневого или красноватого цвета, закреплена на кожухе тросика! Здесь она прозрачная, но хоть примерно показать :e.a.d-cd.net/af86428s-960.jpglanos-faq.ru/images/faq/r…ov_pechki/Compres0007.jpgНе фоткал процесс разборки и сборки, возился долго Надеюсь, чем-нибудь помог
да я понял где должен находиться, но скорее всего её и не было, т.к. я тогда ещё голову ломал как же кожух сам неподвижно закрепить на нужном месте, он за помощь конечно большое спасибо
По большому счету даже если не закреплять Т-образный, а закрепить только железный, регулировка температуры воздуха будет работать, проверено! Только не будет фиксироваться в самом верхнем или самом нижнем положении, будет сползать! Но если что-то придумаешь, будет как надо!
ну мне кажется что если не закрепить оплётку троса, то регулироваться поток воздуха особо не будет. Собственно под оплётку есть выемки и если проволочкой хорошенько прижать, то ничего сползать не должно. Теперь главное дадумать как нужно железный наконечник троса закрепить на рычажке который собственно и тянет трос, да и каким то образом закрепить весь трос, потому как места очень мало, наружу трос не вытягивается, думаю будет геморой с этим делом
Регулируется, проверено мной!А что короткий сам по себе и его не вытянешь для удобства подключения — это да! Придется повозиться!
Источник статьи: http://www.drive2.com/l/1161591/
В путь
Двигатель, которым оборудован этот Opel Omega, мотористы называют квадратным. То есть у него ход поршня равен диаметру цилиндра. Такие моторы любят за выносливость и долговечность. Этот показал еще и удивительную тягу на “низах”. Omega уверенно трогалась с места, даже когда стрелка тахометра не поднималась выше единицы.

Но ожидать от большого, почти пятиметрового автомобиля с 2-литровым двигателем горячего темперамента было бы ошибкой. Однако мощности мотора вполне хватает, чтобы быстро перескочить из одного ряда плотного потока в другой, пока освободившееся вдруг место никто не занял. При маневрировании нельзя забывать, что Omega, как и Rekord — автомобиль классической компоновки и потому надо быть постоянно готовым к сюрпризам заднего привода.
В поворотах немного чувствуется крен кузова. Прохождение неровностей можно назвать в целом неплохим. Умеренная жесткость подвески передает мелкие ямки и бугорки дороги в той степени, когда это еще не утомляет. Зато по грунтовке или плохо укатанной гравийке можно ехать на приличной скорости, и кузов не начинает раскачиваться или резонировать.

Порой на прямых участках при изменении скорости, или наткнувшись на какую-то неровность, Opel Omega A начинает проявлять некоторую валкость, напоминая американские “чемоданы”. Так, наверное, сказывается родственная связь Opel с General Motors.
Сиденья хотя и удобные, но практически лишены боковой поддержки. На крутых виражах приходится сильнее вдавливаться в кресло и крепче держаться за руль. Зато есть площадка для отдыха левой ноги, которой можно пользоваться как упором.

Опель Омега – немного истории
В разные годы он был экспортирован в разные страны под другими названиями, например в Бразилии он назывался Шевролет Омега, а Великобритании ВокселКарлтон.
Опель Омега А
В 1994 году появляется знаменитая рестайлинговая модель Опель Омега B, в этом модельном ряду присутствуют модели с «V» -образными двигателями и есть даже два варианта турбодизеля. С появлением Опель Омега были использованы и внедрены новейшие для того времени технологии, АБС, электронный контроль двигателя и впрыск топлива, бортовой компьютер и электронная система диагностики. Ну и, конечно же, встает вопрос, что же за магнитолы стояли в таком новейшем для своего времени автомобиле.
Опель Омега В
Нужно отметить что GM (GeneralMotors) в случае с Опель Омега, поступила не типично в плане установки заводских магнитол и аудио систем. Дело в том, что производители обычно пытаются экономить на девайсах и устанавливают достаточно бюджетные модели магнитол. На моделях Опель Омега за все время производства были установлены магнитолы множества различных фирм, ниже мы их все рассмотрим, но для своего времени уровень этих систем был не ниже среднего, о чем свидетельствуют многочисленные положительные отзывы автолюбителей по всему миру.





























