Проверка клапана вакуумного усилителя тормозов
Вакуумный усилитель тормозов может плохо работать из-за неисправности обратного клапана. Чтобы провести проверку его работоспособности, снимите шланг, достаньте клапан из корпуса вакуумного усилителя тормозов и наденьте на него резиновую грушу. Ее необходимо подсоединить с наружной стороны (с той, с которой соединяется шланг). Далее грушу следует сжать и отпустить. Сжатая груша свидетельствует об исправности обратного клапана.

В противном случае вам придется его заменить. Также данный метод вы можете использовать для проверки на герметичность впускного шланга, в том случае, когда под рукой не оказалось компрессора.
Преимущества.
Многочисленные исследования показали, что дисковые тормоза наиболее эффективные и надежные. Это объясняется тем, что они не теряют свои эксплуатационные свойства даже если на диск или колодку попадет вода или грязь. Барабан менее устойчив к попаданию на него различных частиц. Даже небольшое количество воды способно снизить все его свойства.
Помимо этого, у них есть еще одна главная особенность – они очень хорошо охлаждаются, для этого предусмотрены специальные каналы, по которым принудительно проходит воздух. Также такая форма, выполненная из титановых сплавов, позволяет показать максимальную прочность.
Алгоритм замены тормозных колодок на УАЗ Патриот
Замена производиться только всего комплекта целиком, в противном случае существенно снизиться эффект торможения, повысится износ и нагрузка на новую колодку
При их смене необходимо обратить внимание на тормозной диск, так как он тоже со временем изнашивается. Если его толщина уменьшилась до 20,4 мм, то необходимо также произвести и его замену

Замена колодок осуществляется в следующем порядке:
Включив стояночный тормоз и подложив под колеса упоры для предотвращения отката автомобиля. Другим способом можно зафиксировать автомобиль подставив под передний мост подставки после поднятия. С использованием домкрата следует приподнять переднюю часть авто. После чего произвести демонтаж колеса.
Извлечь с рабочего цилиндра резиновый колпачок.
Отвинтить 2 болта, удерживающие прижимную пружину. При этом можно использовать гаечный ключ на 12.
Используя монтировку необходимо разжать поршни тормоза. Для этого лучше использовать две монтировки
Отжим необходимо осуществлять равномерно.
Далее по очереди производим удаление обоих сменных элементов из суппорта.
Осторожно отводим тормозные цилиндры монтировкой, попросту утапливаем их в корпус суппорта. Следим за объемом тормозной жидкости в бачке
Как уже отмечалось выше, чтобы не допустить при произведении работ вытекания необходимо ее откачать, используя шприц.
Далее устанавливаются новые колодки, на те же посадочные места.
После этого, они фиксируются путем привинчивания опорной пружины.
Сборка колеса производится в обратном порядке. В таком же порядке осуществляется работа по замене колодок и на другом колесе. Если Вы заменили барабанные тормоза на дисковые как описано здесь, замена на задних колесах осуществляется таким же образом. После замены колодок необходимо проконтролировать уровень тормозной жидкости. И раза три прокачать тормозную систему нажимая на педаль тормоза. Можно эксплуатировать авто, но нужно помнить, что максимальный тормозной эффект будет достигнут только после того, как колодки притрутся к тормозному диску.
Как решают проблему сейчас
Спрос рождает предложение, и сегодня есть разные соображения относительного того, как можно лифтануть УАЗ Патриот и Хантер, попутно устранив недостаток заводской передней подвески:
можно установить двухдюймовые пружины для лифта Шнивы, которые на 5 см выше стандартных. Это — классический пример гаражного лифта со всеми вытекающими: пружины от Шеви Нивы приходится подпиливать для устранения оверлифта, иначе ваш УАЗ будет похож на «таракана, бросающегося в атаку» после такого тюнинга.
мерсопружины,которые хорошо держат нагрузку, но, к сожалению жестки, как лом. Управлять таким автомобилем на кочках и ямах не намного комфортнее, чем более УАЗом ранних модификаций, со старыми добрыми рессорами в подвеске.
альтернатива есть — это аналоги стандартных пружин УАЗ. Несмотря на то, что позиционируются как усиленные и долговечные, первоначальным характеристикам не соответствуют уже через полгода эксплуатации;
установка проставок под просевшие пружины УАЗ для создания видимости нормальной высоты. По сути, это всего лишь имитация лифта: если пружины просели, делать с ними что-либо уже бесполезно — их место на помойке;
покупка лифт-комплектов иностранного производителя — надежно, эффективно, но слишком накладно для простого уазовода.
Особенности конструкции
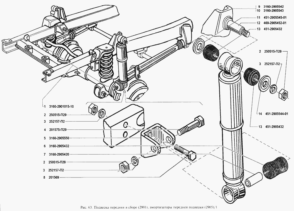
На внедорожнике УАЗ Патриот передняя подвеска является зависимой и представлена в виде следующих устройств:
- цилиндрические пружины;
- амортизаторы гидравлического типа;
- стабилизаторы поперечных тяг;
- шаровые шкворни и продольные штанги.
Продольные штанги и поперечная тяга предназначаются для того, чтобы обеспечивать правильную фиксацию переднего моста, который является дополнительным. Штанги непосредственно крепятся к конструкции переднего моста посредством неразборных сайлентблоков и кронштейнов. Второй конец штанги фиксируется к раме внедорожника УАЗ 3163 посредством резиновых шарниров.
Главная роль в удалении колебаний автомобиля выполняют два телескопических амортизатора, которые также предназначаются и для ограничения хода подвески. Задняя часть также оснащена двумя амортизаторами, но они отличаются от передних, поэтому невзаимозаменяемы.

Поворотные кулаки имеют ступицы, на которых размещены тормозные диски. Вращение ступицы обеспечивается посредством двух роликовых подшипников с каждой стороны, которые со временем приходят в негодность и требуют замены. Регулировка подшипников осуществляется с помощью гайки, располагающейся на цапфе с контргайкой.
Передняя подвеска внедорожника УАЗ 3163 Патриот подвержена различным негативным факторам, если он используется по назначению. Поэтому нередко можно услышать посторонние звуки из-под движущегося автомобиля
При первых признаках неисправностей передней подвески важно сразу же прибегнуть к поиску неисправностей и по возможности их устранять
Проверка подвески на внедорожнике УАЗ Патриот осуществляется посредством проведения следующих действий:
Для начала следует обратить внимание на состояние резинометаллических уплотнителей или шарниров, которые являются самыми первыми претендентами на выход из строя.
Осмотру подлежат также рычаги подвески, на которых нередко могут появляться различные дефекты в виде трещин, сколов и прочих видов повреждений.
Проводится визуальный осмотр и амортизаторов, которые могут иметь такие виды повреждений, как неисправности втулок, а также нарушение целостности самого устройства, потеки.
Конструктивная схема передней подвески представлена на фото ниже.
![]()
Конструкция передней подвески всех автомобилей намного сложнее, чем задняя. Это обусловлено, прежде всего, тем, что на передние колеса возложена функция управления
Поэтому очень важно чтобы конструкция всегда была исправной и не подвела в пути. Для этого следует периодически проводить профилактику ходовой части, даже путем постановки машины на смотровую яму и проведения визуального осмотра
Если выявлены различные виды неисправностей, то в таком случае поможет только ремонт.
Что представляет собой ремонт передней подвески внедорожника УАЗ 3163, рассмотрим далее.
Ремонт
Если на большинстве легковых авто конструкция передней подвески является независимой, то на Патриоте и многих других внедорожниках она является зависимой. Чтобы осуществить ремонт подвески на УАЗ 3163 Патриот, первым делом необходимо осуществить выяснение причины неисправности. Причин, как вы понимаете, может быть много, но частые поломки уже известны владельцам данного автомобиля.
Прежде чем осуществить ремонт подвески, следует провести демонтажные работы, которые состоят из следующих действий:
- осуществляется постановка автомобиля на смотровую яму;
- демонтируются колеса, а также наконечники рулевой тяги;
- снимаются также суппорта передних колес;
- осуществляется снятие шкворней и проводится их ремонт или замена шаровых опор;
- демонтируется пружина посредством специального инструмента для ее сжатия;
- демонтируются амортизаторы, и проводится их ремонт или замена.
В зависимости от неисправности, проводится соответствующей ремонт узла или механизма. Некоторые устройства подлежат замене, а другие можно отремонтировать, например, шаровые опоры нужно заменять, а амортизаторы ремонтируются. Пружины со временем проседают, поэтому чтобы не осуществлять их замену, осуществляется установка специальных полиуретановых проставок.
Артикул и стоимость хороших аналогов родных задних тормозных колодок для УАЗ Патриот
Оригинальны задние колодки не лучшим образом показывают себя в процессе эксплуатации. Они скрипят, пищат и вибрируют во время остановки машины. Поэтому опытные водители рекомендуют приобретать аналоги фирменных расходников, лучшие варианты из которых представлены ниже.
Таблица — Наилучшие аналоги 3151350109010
| Производитель колодок | Артикул | Примерная цена, рубль |
| Автодеталь | 3151350109010 | 400-500 |
| Trialli | GF 233 | 950-1000 |
| GAZ | 24350110501 | 460-500 |
Таблица — Лучшие альтернативы 3151350209110
| Производитель колодок | Артикул | Примерная цена, рубль |
| Lada | 24350110501 | 460-500 |
| Автодеталь | 3151350209110 | 360-400 |
| Trialli | GF 233 | 960-1000 |
Таблица — Хорошие альтернативы 3163350208889
| Производитель колодок | Артикул | Примерная цена, рубль |
| Автодеталь | 4693501090 | 300-350 |
| GAZ | 4693501090 | 300-350 |
| АЛЬФА | 3163-00-3502088/89 | 350-400 |
Когда требуется производить замену?
Первое что свидетельствует о том, что требуется замена этого элемента тормозной системы – это скрип во время торможения. Как только тормозная система издает его при нажатии на педаль – необходимо произвести осмотр и диагностику, плановую замену колодок.

Причиной скрипа является трение стального основания о тормозной диск после истирания фрикционной части колодок. При этом существенно снижается тормозной эффект. Чтобы не допустить полного истирания этой части, необходимо следить за ее состоянием и производить своевременную замену. Периодичность ее осуществления определяется по пробегу авто. Если установить тормозные колодки отечественного производства они прослужат в среднем от 10 до 15 тыс. км пробега. Продолжительность использования этих элементов тормозной системы от зарубежных производителей существенно выше и составляет 20-25 тыс. км пробега. Но при этом необходимо учитывать, что на скорость износа существенно влияет и характер вождения авто. Замена осуществляется если:
- толщина накладки стала меньше 1,5 мм;
- на ее поверхности обнаружены следы масла;
- повреждено стальное основание или фрикционная часть этого элемента.
Как определить неисправность?
Как определить наличие напряжения в электропроводке авто:
- Для проверки вам понадобится контрольная лампочка, к ней необходимо припаять два провода. Один щуп тестера нужно подсоединить к отрицательному выводу АКБ или кузову автомобиля, а второй — к проверяемому участку электрической цепи. Для того, чтобы более точно определить отсутствие напряжения, второй щуп желательно подсоединить как можно ближе к аккумулятору либо предохранителю.
- Если в результате подсоединения контрольная загорелась, это может свидетельствовать о том, что на проверяемой есть напряжение.
- Таким же способом нужно осуществить проверку других составных компонентов электросети. Если случится такое, что источник освещения не загорится, то причину неисправности нужно искать на участке между тестируемой точкой и последним местом, где напряжение было. Обычно неисправности в работе проводки связаны с плохим контактом, поэтому следует произвести диагностику качества подключения. Кроме того, в зависимости от проверяемого участка цепи, напряжение на нем может быть только в том случае, когда в замке повернут ключ (автор видео — Дмитрий Шерстнев).
Если у вас возникли подозрения касательно ненадежности заземления, то проверку можно выполнить так:
- В первую очередь выключается зажигание и отсоединяются клеммы от АКБ. Затем, используя ту же контрольную лампочку, следует один из ее щупов подсоединить к кузову Патриота.
- Второй контакт от тестера подключается к точке заземления, в частности, речь идет об участке, который вы проверяете.
- Если после подсоединения лампочка загорелась, то это говорит о том, что с заземлением все в порядке. Соответственно, можно приступать к проверке других участков.
Одной из проблем, которые случаются в работе проводки, является нарушение целостности, то есть обрыв или повреждение кабеля.
Для диагностики этой неполадки нужно сделать следующее:
- В первую очередь от электроцепи отключается напряжение, для этого от АКБ отсоединяются клеммы. Проверка целостности цепи осуществляется при помощи контрольной лампочки, а также подключенного источника питания.
- Затем один щуп от тестирующего устройства необходимо подсоединить к плюсовому концу проверяемой цепи, второй — к массе, то есть кузову автомобиля. Либо же два щупа от лампочки подсоединяются к обоим концам диагностируемого участка. Если в результате подключения загорится лампа, это говорит о том, что цепь целая и повреждений в ней нет. Соответственно, если лампочка не загорелась, то участок поврежден.
- Так же осуществляется диагностика выключателя, щупы тестера необходимо подсоединить к выводам устройства. Когда выключатель будет включен, лампа должна загореться.
Примерные цены
Стоимость данного прибора для УАЗ «Буханка» составляет в среднем от 3400 до 5000 рублей.
Следует отметить, что при выборе усилителя предпочтение стоит отдавать только проверенным компаниям-производителям. Это позволит получить устройство хорошего качества, которое прослужит достаточно долгое время.
Одной из причин снижения эффективности торможения автомобиля может быть неудовлетворительная работа вакуумного усилителя тормозов. Проверка вакуумного усилителя производится также в случае возникновения ощутимого повышения усилия при нажатии на педаль тормоза.
Вакуумный усилитель установлен между механизмом педали тормоза и главным тормозным цилиндром. При торможении, за счет разрежения в ресивере двигателя, он создает через шток и поршень первой камеры главного цилиндра дополнительное усилие пропорциональное усилию педали.
В шланге соединяющим вакуумный усилитель с ресивером двигателя установлен обратный клапан, он удерживает разрежение при его падении во впускной трубе и препятствует попаданию топливовоздушной смеси в вакуумный усилитель.
Быстрая экспресс проверка вакуумного усилителя тормозов Уаз Хантер.
В процессе эксплуатации вакуумный усилитель регулировок не требует, а его обслуживание заключается в проверке надежности крепления. Для быстрой экспресс проверки работоспособности усилителя надо при неработающем двигателе несколько раз нажать на педаль тормоза до упора, а затем удерживая педаль в нажатом положении, запустить двигатель. За счет перепада значений давления в полостях усилителя педаль тормоза должна немного опустится, переместится вперед.
Недостатки.
Самый главный из них – стоимость. Это устройство является довольно дорогим, что делает установку довольно затратной. Еще нужно быть готовым к тому, что такие изменения придется зафиксировать в техпаспорте. Это потребует дополнительных испытаний и разрешения соответствующих служб.
Без этого не разрешается пользоваться автомобилем на дорогах общего пользования. Конечно, инспектор ГИБДД может и не заметить данные изменения в автомобиле, но в случае обнаружения доработок в такой ситуации будет выписан крупный штраф или возможно лишение прав.
Полная стоимость готового комплекта задних дисковых тормозов обойдется в сумму не менее 18 тысяч рублей. Он состоит из специального крепления для привода ручника, суппорта, кожуха, колодок и прочего.
Артикульный номер и примерная цена на задние оригинальные колодки УАЗ Патриот
На автомобилях первых годов выпуска стояночный тормоз имел отдельный барабан с двумя колодками, артикул которых3160350701401, а цена от 800 до 1000 рублей. В 2014 году был провиден рестайлинг в результате которого с 2015 года ручник совмещен с основными задними тормозами. В 2021 году была проведена небольшая модернизация, которая существенно не затронула барабанный механизм.
Тормозные колодки старого образца имеют переднюю фрикционную накладку, которая короче задней. Из-за этого они обладают различными каталожными номерами. Существует возможность отдельной замены каждого расходника. Передний обладает артикулом — 3151350109010. Его цена 370-450 рублей. Номер по каталогу задней колодки — 3151350209110. Стоимость изделия находится в пределах от 340 до 400 рублей.
В тормозных механизмах нового образца стоят расходники, артикул которых 3163350208889. Их цена около 450-600 рублей. Отличительной особенностью является наличие креплений рычага механизма стояночного тормоза.

Итоги
Тормозные колодки являются важным элементом авто, и их своевременная замена существенно снижает риск возникновения дорожно-транспортных происшествий. Если есть признаки их износа, то следует воздержаться от эксплуатации машины, до произведения замены. Подбор колодок и осуществление ремонтных работ лучше доверить профессионалам, так как отсутствие опыта, совершаемые поспешно неаккуратные действия могут привести к существенному повышению затрат. Кроме этого, заказав услугу в автосервисе, любой владелец этой марки авто, избавит себя от грязной и достаточно трудоемкой работы, которая отнимает немало времени и сил.

























