Схема системы охлаждения
Схема системы охлаждения 402 ДВС достаточно простая. Так, охлаждается двигатель при помощи охлаждающей жидкости, которой может служить вола, тосол, и в редких случаях даже антифриз. Схема движения жидкости — кольцевая, и выглядит следующим образом: радиатор — патрубок — термостат — водяная рубашка — водяной насос — патрубки — радиатор.
Чтобы понимать более наглядно, стоит рассмотреть непосредственную схему циркуляции ОЖ, а также элементы, которые в неё входят:
I — с одним отопителем; II — с двумя отопителями и электронасосом (для фургонов с двумя рядами сидений и автобусов); 1 — расширительный бачок; 2 — термостат; 3 — датчик указателя температуры охлаждающей жидкости; 4 — радиатор; 5 — сливная пробка (кран) радиатора; 6 — вентилятор; 7 — ремень привода вентилятора; 8 — ремень привода насоса охлаждающей жидкости; 9 — насос охлаждающей жидкости; 10 — сливной кран блока цилиндров; 12 — электронасос системы отопления; 11, 13 — кран отопителя; 14 — радиатор дополнительного отопителя; 15, 16 — радиатор основного отопителя; 17 — основной клапан термостата; 18 — байпасный клапан.
Основные возможные неисправности
Чтобы точно определить, почему газелевская печка не греет, либо работает недостаточно эффективно, следует провести диагностические мероприятия.
Практика наглядно показывает, что есть несколько причин и факторов, из-за которых отопитель перестаёт дуть или просто время от времени работает не в полную силу.

Наиболее распространённые неисправности отопительной системы на автомобилях Газель связаны с:
- электровентилятором;
- охлаждающей жидкостью;
- термостатом;
- радиатором;
- водяным насосом;
- прокладкой ГБЦ.
Чтобы отопительная система снова начала дуть горячим воздухом и под большим напором, в зависимости от выставленного регулятора на панели управления, следует провести соответствующие работы по устранению выявленных неисправностей.
Давайте поочерёдно разберём, почему временами на Газели может не работать печка и как решить ту или иную проблему.
Вентилятор отопителя
Достаточно банальная, но при этом очень распространённая причина. Сам отопитель при неисправном вентиляторе работает, но крыльчатка не может подавать в салон горячий воздух под напором.
Если печка функционирует, но вентилятор не вращается, в результате чего в салон еле поступает горячий воздух, либо не доходит до кабины вообще, нужно проверить состояние электровентилятора.

В зависимости от конкретной модификации Газели, для доступа к вентилятору может потребоваться провести сложные демонтажные работы, разобрав практически всю торпеду и панель, либо же выкрутить буквально несколько саморезов.
Помимо самого моторчика вентилятора, вина в его отказе может лежать на электронике, обрывах проводов и на предохранителе, который часто перегорает.
Жидкость охлаждения
Автомобиль Газель использует жидкостную систему охлаждения двигателя, а потому огромную роль в работе отопителя играет антифриз или же тосол.
Вопрос может быть не только к качеству, но и в первую очередь к количеству. Вы удивитесь, насколько часто отказ печки оказывается связан с тем, что в бачке попросту осталось слишком мало жидкости. Это связано с его естественным расходом по мере эксплуатации, либо с появлением других причин, которые спровоцировали уход жидкости охлаждения (течь радиатора, пробой в патрубках, нарушение герметичности бачка и пр.).

Как результат, в печку поступает недостаточное количество горячего антифриза, радиатор отопителя остаётся холодным или едва тёплым, из-за чего вентилятору остаётся нагнетать в салон непрогретый воздух.
Проверьте количество ОЖ в бачке, долейте по мере необходимости. Через время снова проверьте, сколько жидкости там осталось. Если уровень опять быстро упал, нужно найти место течи.
При заливе новой ОЖ в Газель или после проведения тех или иных ремонтных работ, предусматривающих необходимость сливать антифриз и возвращать его на место, в системе могут образоваться воздушные пробки.
Радиатор отопителя
Ещё одной распространённой причиной плохой работы отопителя может стать его радиатор. Не путать с радиатором охлаждения самого двигателя.
Тут причин выделяют сразу несколько:
- Неправильно было выполнено смешивание антифризов разных марок и производителей.
- Некорректно разбавили концентрат. Для него существуют определённые пропорции, нарушать которые нельзя.
- Вместо полноценного антифриза залили обычную воду. Она способствует закупориванию каналов радиатора и его быстрому выходу из строя.
- В радиаторе могла возникнуть течь. Причин много, включая естественный износ.
- Для устранения течей использовались герметики, которые на практике приносят больше вреда, чем пользы.

Если радиатор отопителя забился, его есть смысл попробовать промыть. В случае обнаружения течи практически наверняка придётся снимать старый радиатор и устанавливать новый на Газель.
ГАЗ 2705 | Устройство автомобиля
1.0 Устройство автомобиля
Общие сведения об автомобиле
Паспортные данные
Ключи автомобиля
Панель приборов и органы управления
Отопление и вентиляция салона
Двери
Сиденья
Регулировка положения передних сидений
Складывание заднего сиденья
Зеркала заднего вида
Освещение салона
Противосолнечные козырьки
Капот
…
1.2 Паспортные данные
1.5 Отопление и вентиляция салона
Наружный воздух поступает в салон автомобиля при открытых раздвижных стеклах боковых дверей и через сопла отопителя при открытом лючке вентиляции салона.
Для обогрева салона откройте лючок вентиляции, кран 16 отопителя, крышку 17 и заслонки 18 для направления потоков воздуха.
При движении автомобиля с небольшой скоростью можно увеличить количество поступающего воздуха, включив вентилятор отопите…
1.7. Сиденья
(Категория). Список материалов смотрите внутри…
Отопитель Газель бизнес принцип работы.
Отопитель Газель бизнес не плохая пародия на отопители иномарок, но только на первый взгляд. Управление отопителем осуществляется кнопками и рукоятками на электронным блоке, находящемся на панели управления. Воздух в отопитель, как и на всех «Газелях», засасывается электровентилятором через решётки под лобовым стеклом и, проходя через воздуховоды и дефлекторы поступает в салон.
Охлаждающая жидкость к радиатору отопителя подаётся через кран, открытие и закрытие которого осуществляет электропривод. От таких же кранов предыдущих моделей его отличает наличие дополнительного штуцера. В закрытом положении крана жидкость перенаправляется обратно в систему охлаждения.
Как устранить проблемы обогрева на печках в Газели
При устройстве печки Газели старого образца производитель недостаточно эффективно продумал отопительную конструкцию. Из-за этого она плохо греет, допуская попадание холодного воздуха извне. Кран может обладать плохой пропускной способностью, и даже засорившийся радиатор быстро приводит к проблемам. Такие печки выпускались на автомобилях до начала 2000-х годов производства, и они требуют регулярной очистки. Самое простое, что можно сделать водителю в такой ситуации, — прочистить систему и магистрали.
Не всегда этих манипуляций достаточно для того, чтобы добиться эффективного обогрева. В этом случае автолюбителям придёт на помощь небольшая модернизация системы. Самый простой вариант — заменить алюминиевый радиатор на медный аналог. Также многие ставят дополнительный новый насос под вакуумный усилитель. В некоторых случаях помогает применение поролоновых уплотнителей или промазка проблемных участков герметиком. Лучше всего использовать силиконовый герметик, который хорошо герметизирует места соединений.

Однако и устройство печки Газелей нового образца нельзя назвать идеальным для тех, кому приходится много времени ездить в зимнее время года, да ещё и за городом. В этом случае можно прибегнуть к такому последовательному алгоритму:
- Загерметизировать любым изолирующим материалом дверные проёмы, щиток и прочие потенциально проблемные места в салоне. Можно воспользоваться даже шумоизоляцией. В результате тепло будет сохраняться лучше, а поступление холода, наоборот, сократится.
- Некоторым помогает замена входа и выхода в самой печке.
- Как вариант, можно заменить отопитель. От этого может повыситься эффективность работы всей системы.
- На практике доказано, что улучшить обогрев можно при помощи установки дополнительного радиатора вдобавок к штатному. Их можно расположить под общей крышкой и соединить трубками в одну систему.
Если в системе установлен второй отопитель, то антифриз нагревается лучше, а это неминуемо скажется на температуре внутри салона. Тепло будет лучше сохраняться в салоне, что приведёт к повышению уровня комфорта при передвижении в Газели в зимнее время года.
Где искать утечку охлаждающей жидкости?
Первым делом следует проверить расширительный бачек, если проблем не обнаружено приступаем к осмотру радиатора, так как он часто повреждается. Необходимо внимательно осмотреть те места, в которых соединяются трубы с радиатором. После чего проверяем на наличие течи всех шланг и патрубков системы охлаждения. Так же стоит проверить хомуты, от вибрации они могли ослабнуть, в результате чего жидкость подтекает в местах соединения. Самая неприятная и проблемная течь, когда охлаждающая жидкость попадает в картер двигателя. Вытащив щуп для проверки уровня масла, можно увидеть, что оно вспенилось. Это признак того, что в систему смазки двигателя попал антифриз.
Недостатки карбюратора
Теперь о минусах. Их гораздо больше, чем плюсов. Итак, первый недостаток – это низкая стабильность работы. Особенно это касается зимней эксплуатации. При запуске часто «заливает» свечи. Холостой ход нужно регулировать вручную (для этого есть «подсос»). После прогрева карбюратор начинает неправильно дозировать топливо. Система требует частых регулировок. Еще один минус – это большой выброс CO.

В жаркие дни эта система тоже дает о себе знать. И самый существенный недостаток — это мощность. Даже на одинаковых двигателях она будет как минимум на 20 процентов меньше. Возьмём, к примеру, 406-й и 405-й мотор заволжского производства. Разница между ними – 42 лошадиные силы.
Отопитель Газель бизнес поиск неисправностей.
Что делать если что-то в отопителе не работает? Благодаря конструкции отопителя затруднена диагностика при отказе в работе его частей. Изначально как всегда необходимо проверить предохранитель.
Проверка моторедукторов.
Проверку моторедукторов заслонок обдува стёкол и дефлекторов можно проверить, не снимая панели полностью. Достаточно снять её нижнюю часть. Моторедуктор главной заслонки доступен со стороны водителя. Для проверки моторедукторов необходимо отключить разъём его электродвигателя, разъём с фиксатором, и подключить к нему тестер в режиме вольтметра или контрольную лампу. При включенном зажигании и отопителе необходимо нажать на кнопку, которая управляет этой заслонкой. Контрольная лампа при этом должна загореть. Если лампа горит, а моторедуктор не работает, то его необходимо заменить.
Если Вы, находитесь в дороге, не имейте возможности заменить привод заслонки на обдув стёкол, то можно снять тягу с рычага заслонки с водительской стороны и повернуть её в ручную зафиксировав в открытом положении. Для открытия заслонки с пассажирской стороны потребуется открутить винты крепления моторедуктора и, повернув его корпус так же зафиксировать.
Проверка электродвигателя и регулятора оборотов.
Для проверки электродвигателя вентилятора отопителя и причины его отказа, если вентилятор не работает, потребуется снять воздухозаборник в подкапотном пространстве. Внутри открывшегося окна будет видно два провода с разъёмом. Для проверки питания подключите контрольную лампу выводам разъёма и при включенном зажигании поверните регулятор оборотов отопителя в сторону максимальных оборотов. Контрольная лампа при этом должна гореть ярко. При повороте рукоятки в сторону минимальных оборотов яркость лампы должна уменьшиться. Это свидетельствует об исправности регулятора оборотов.
Если контрольная лампа горит, а вентилятор не вращается, то его электродвигатель неисправен. Для проверки замерьте сопротивление между выводами электродвигателя в разъёме. Неисправность электродвигателя может быть вызвана зависанием щёток. В этом случае можно попробовать постучать по корпусу отопителя. При этом работа вентилятора может восстановиться до его следующего выключения, возможно больше, но доехать при этом до сервиса можно в тепле.
Конструкция
На Газели Бизнес управление системой отопления салона комбинированное и осуществляется как в ручном режиме посредством рычажков, так и при помощи кнопочного управления с панели приборов.
Схема работы отопления стандартная – поступление воздуха происходит через лобовые воздухозаборники путем всасывания вентилятором с электромотором, после чего проходит по системе дефлекторов и поступает непосредственно в кабину автомобиля.
Поступление охладителя в радиатор отопителя
контролируется заслонкой, угол положения которой осуществляется приводом от электромоторчика. Электромотор привода заслонки итальянского производства, что совершенно не гарантирует от его поломки, которые на этой марке Газели с ним случаются часто.

Управление двигателем
крана заслонки осуществляется в режиме автоматики и зависит от устанавливаемой температуры воздуха на выходе. В конструкции печки еще присутствует заслонка, которая регулируется моторедуктором с электроприводом и может направлять часть воздушного потока в обход радиатора.
В этом одно из главных отличий отопителя модели Бизнес от более поздних Газелей, на которых угол заслонок менялся при помощи системы тросиков.
Несовершенство и непродуманность конструкции отопителя, приводит, что когда не греет печка на Газель Бизнес, необходимо долго искать причину неисправности. Если автомобиль находится на гарантии, лучшим вариантом будет обращение в СТО.

Отопитель Газель бизнес
Возможные неисправности системы охлаждения и способы их устранения
Двигатель перегревается
Сердцевина радиатора засорена грязью и насекомыми — Промойте снаружи сердцевину радиатора. Продуйте сжатым воздухом
Пониженный уровень охлаждающей жидкости в расширительном бачке — Найдите место утечки охлаждающей жидкости.
Устраните течь. Долейте охлаждающую жидкость
Неисправен термостат (клапан завис в закрытом положении) — Замените термостат
Неисправен водяной насос — Проверьте насос, в случае неисправности замените
Повреждение клапана в пробке расширительного бачка (постоянно открыт клапан, из-за чего система находится под атмосферным давлением) — Замените пробку расширительного бачка
Трубки радиатора, шланги и рубашка охлаждения двигателя засорены накипью и илистыми отложениями — Промойте систему охлаждения и заполните свежей охлаждающей жидкостью
Двигатель перегревается, из отопителя поступает холодный воздух
Чрезмерное снижение уровня охлаждающей жидкости из-за утечки или повреждения прокладки головки блока цилиндров,
вызывающее образование паровых пробок в водяной рубашке двигателя — Устраните утечку охлаждающей жидкости. Замените поврежденную прокладку головки блока цилиндров
Двигатель долго не прогревается до рабочей температуры, тепловой режим во время движения не стабилен
Ремонт основных узлов
Ремонт деталей и всей системы охлаждения двигателя можно найти в мануалах по ремонту ЗМЗ 405. Самыми частыми поломками системы становятся — водяной насос и термостат. Замена помпы проводится достаточно просто:
Сливаем охлаждающую жидкость.
Демонтируется приводной ремень.
Откручиваются болты крепления водяного насоса.
Демонтируется старая помпа и устанавливается новый насос
Важно не забыть установить прокладку.
Устанавливаем ремень на посадочное место.
Заливаем ОЖ в систему.

Замена термостата проводится по аналогии с помпой, только сам элемент расположен в корпусе, который состоит из двух элементов. Чтобы поменять необходимо всего лишь слить жидкость и отсоединить патрубок. Затем снимаем крышку и меняем непосредственно термостат.
Отопление и вентиляция автофургона ГАЗ-2705 ГАЗ 2705
Система отопления рассчитана на непрерывную работу в течение длительного времени и обеспечивает многократный обмен воздуха в кабине, необходимую скорость и температуру воздуха, температуру поверхностей кабины.
|
|
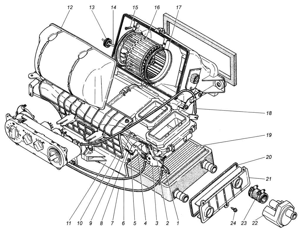
Рис. 10.22. Основной отопитель: 1 — скоба; 2, 4 — рычаги оси заслонок; 3 — кронштейн крепления оболочек тяг привода; 5 — фиксатор; 6, 7, 17 — оболочки тросовых тяг; 8, 9 — рейки привода заслонок; 10 — защитный кожух; 11 — корпус ОВУ; 12 — крышка вентилятора; 13 — уплотнение; 14 — разъем электропривода; 15 — винт; 16 — электровентилятор; 17 — две скобы крепления фланца электровентилятора; 18 — тяга; 19 — радиатор отопления; 20 — прокладка; 21 — крышка; 22 — кран; 23 — шланг |
|
|
Рис. 10.23. Установка отопителя: 1 — ручка выключения крана и вентиляции (тепло — холод); 2 — пульт управления ОВУ; 3 — заглушка для ГАЗ-2705 или ручка включения дополнительного отопления; 4 — ручка включения вентилятора основного отопителя; 5 — ручка распределения потока воздуха; 6, 7 — воздуховоды; 8 — резистор; 9 — болт крепления ОВУ; 10 — короб воздухозаборника; 11 — втулка; 12 — тройник; 13 — кожух; 14 — обойма; 15, 17 — шланги; 16 — гайки |
|
|
Рис. 10.24. Распределение воздушных потоков в кабине автомобиля: 1 — крышка кожуха ОВУ; 2 — втулка; 3 — болт крепления ОВУ; 4 — кожух ОВУ; 5 — распределитель левый; 6 — прокладка кожуха ОВУ; 7 — скоба; 8 — винт; 9 — распределитель правый |
Отопление кабины обеспечивается воздухом, подогретым в радиаторе отопителя 19 (
|
Рис. 3.1. Органы управления |
|
|
Рис. 10.25. Панель управления отоплением и вентиляцией |
Управление ОВУ осуществляется регуляторами 1, 2, 3 и 4 (
|
Рис. 10.26. Распределение воздушных потоков в кабине автомобиля: 1, 6 — патрубки обдува боковых стекол; 2, 3, 4, 5 — патрубки обдува водителя и пассажира; 7, 8 — воздуховоды обдува ног водителя и пассажира |
Распределение воздушных потоков в кабине осуществляется через воздуховоды и патрубки 1, 2, 3, 4, 5 и 6 (см. 
|
Рис. 9.25. Замер зазора от торца шестерни до чашки упорного кольца при полностью втянутом якоре тягового реле |
Одной из причин нарушения распределения потоков воздуха является ослабление скоб 1 (см. рис. 10.22) крепления оболочек 6 и 7 тросовых тяг привода к кронштейну 3. В результате при повороте ручки 1 (см. рис. 9.25) изгибается сама тяга, и заслонка не работает. Скобу (скобы) необходимо надежно зафиксировать в отверстиях кронштейна, а в случае их поломки заменить.
Другой причиной нарушения распределения воздуха является неправильное положение заслонок в распределителях воздуха 5 и 9 (см. рис. 10.24). Для устранения данного недостатка необходимо: ручку 1 (см. рис. 10.25) поставить в положение обдува ветрового и боковых стекол, при этом рычаг 2 (см. рис. 10.22) оси заслонки должен находиться в крайнем правом положении, а рычаг 4 — в крайнем левом положении (по часовой стрелке). Если этого не происходит, то необходимо освободить рейку (рейки) 8 и 9 из фиксатора 5, поставить рычаг (рычаги) в указанные выше положения и вновь зафиксировать рейки в фиксаторах.
Видео про «Отопление и вентиляция автофургона ГАЗ-2705» для ГАЗ 2705
Термоперегородка
Газель бизнес ремонт печки через жопу с матом
Константин-ПРО транспортно-бытовую машину Урал.
Какой радиатор лучше
Изучая устройство печки на пассажирские или грузовые Газели, многие владельцы задаются вопросом: какой радиатор лучше справляется со своими функциями — алюминиевый либо медный. Посмотрим основные достоинства каждого из этих вариантов:
- Алюминиевый. Обладает доступной стоимостью, которая может быть в 2 раза ниже по сравнению с медным аналогом. Именно в этом кроется основная причина того, почему такие изделия распространены по всему земному шару у производителей. Главный их недостаток в более низкой теплопроводности. Из-за появления коррозионных участков могут возникать нарушения функционирования всей системы отопления и охлаждения. Ремонту они не подлежат — приходится выбрасывать и заменять новым.
- Медные. Обладают высокой теплопроводностью, а это напрямую влияет на качество обогрева салона. Медь легко запаять, и поэтому такие радиаторы являются ремонтопригодными. Пайка получается более ровной, отсутствуют окислы. Недостатком является более высокая отпускная цена.
Опытные механики рекомендуют после проведения капитального ремонта ставить радиатор, сделанный из меди. Такое изделие прослужит дольше, однако и в него могут попадать частицы грязи, засоряя систему. Если нет информации о том, насколько она загрязнена, то можно сэкономить и поставить алюминиевый, который просто промывается при эксплуатации.
Особенности функционирования системы охлаждения Газель
Именно печка является одной из ключевых частей системы охлаждения не только газели, но и любого другого транспортного средства. Когда работает любой двигатель, это сопровождается выделением большого объёма тепла. Сгорает топливо и трутся друг от друга металлические поверхности. Если не отводить тепло, то произойдёт перегрев и очень быстрый выход из строя целых узлов мотора.
По этой причине в системе охлаждения предусмотрены сразу 2 контура, которые называют большим и малым кругом. Пока охлаждающая рабочая жидкость не нагрелась, она проходит по малому кругу, а в нагретом состоянии — по большому. В этом случае происходит включение термостата, который распределяет потоки. Именно так автомобильный мотор не перегревается, но и быстро набирает рабочую температуру. Полученное тепло используется для нагрева салона зимой, а летом просто выводится наружу в атмосферу.
Опытные водители хорошо знают, как устроена печка на Газели, а потому понимают и важность своевременного устранения неисправностей. Устройство её аналогично принципу всех других транспортных средств, работающих с жидкостным охлаждением
Для этого предусмотрен радиатор, а также большие и малые круги, по которым беспрерывно циркулирует антифриз. Разница состоит только в том, открыт либо закрыт в данную минуту термостат.
Карбюратор на «Газели» с 402 двигателем
Что касается системы питания, здесь использовался отечественный карбюратор «Пекар» модели К151. Это штатный элемент, коим укомплектовывались все 402-е двигатели. «Газель» не стала тому исключением.
Как показывает себя К151 в деле? Как отмечают отзывы владельцев, «Пекар» – не самый лучший карбюратор. На «Газели» с 402 двигателем хорошо ведет себя «Солекс». Он не имеет, таких минусов, как «Пекар»:
- Расход топлива. С карбюратором К151 «Газель» тратила порядка 25 литров бензина, причем 92-го. Установка «Солекса» позволяет снизить данный параметр примерно на четверть.
- Работа двигателя. Как не пытались настраивать «Пекар» автомобилисты, мотор все равно работал неустойчиво. На холостых плавали обороты, при разгоне ощущались провалы. На «Солексе» таких проблем нет.
- Ресурс. К151 обладает малым ресурсом. Через 50 тысяч километров он приходил в негодность. Причем К151 не подлежал ремонту – попытки установить ремкомплект были тщетными. Мотор работал еще хуже. Кстати, К151 мог выйти из строя и раньше. Известная болезнь – заклинивание заслонки вторичной камеры. «Солекс» имеет вдвое больший ресурс и легко поддается ремонту.
Описание процесса замены
Диагностика неисправности термостата. Какие признаки если не работает термостат
Чтобы заменить термостат обязательно потребуется сливать охлаждающую жидкость, поэтому следует ей запостись. Кроме того, потребуются плоскогубцы или отвёртка, чтобы ослабить клеммы датчиков и патрубков, в зависимости от их фиксации. Ключ на 12 понадобится для болтов крепления устройства.
Как поменять термостат на 406-м двигателе, описание:
- Слить охлаждающую жидкость.
- Ослабить крепления и вынуть 2 шланга из патрубков устройства. Далее, потребуется снять крышку.
- Чтобы снять корпус понадобится отсоединить все клеммы датчиков системы охлаждения и вывернуть два болта.
- Термостат 406-го двигателя вынимается из корпуса и меняется. Установка назад производится в обратном порядке.
Составных частей устройства немного и его конструкция не отличается сложностью, поэтому процесс замены не должен вызвать трудностей. Для наглядности процесса замены представлено видео:
Доброго времени суток уважаемые читатели. Тема сегодняшней записи – замена термостата ЗМЗ 405.
В статье вы найдете перечень инструмента и расходных материалов, необходимых для замены термостата, типовые неисправности термостата, рекомендации по доработке двигателя для упрощения замены термостата в будущем.
Как устроена печка в Газель Бизнес
Для правильной диагностики и ремонта важно знать устройство и рабочий принцип отопителя, чтобы при первых признаках поломки определять неполадку или сделать ремонт, не допуская выхода из строя всего агрегата в общем. Большинство поломок можно прогнозировать по неявным признакам и не допускать их прогрессирования
Чтобы это сделать нужно знать и понимать, за что отвечает любой из компонентов и каков смысл его работы.
Система охлаждения автомобиля
В Газель Бизнес печка считается важной частью системы охлаждения мотора. Во время работы мотора выделяется очень много тепла, которое нужно отводить
Тепло выделяется из-за сгорания топлива и от трущихся поверхностей. Если тепло не отводить, то мотор достаточно стремительно нагреется и поломается. Система охлаждения имеет 2 контура (небольшой и большой круг), их делит терморегулятор. Когда жидкость прохладная, она двигается по малому, а когда нагревается, то по большому кругу. Это дает возможность быстро набирать эксплутационную температуру и не сильно греться. В тёплое время года тепло отводится в атмосферу, а при наступлении прохладного времени часть тепла тратится на теплоснабжение салона.
Как только мы поняли, как не прекращает работу система охлаждения, можно перейти к теплоснабжению салона. Схема печки на автомобиле Газель похожа отопителям иных авто, которые имеют жидкостное охлаждение мотора
Жидкость может циркулировать по теплообменнику отопителя неважно от того, открыт терморегулятор либо нет. Для лучшего теплоснабжения жидкость для печки поступает из самой горячей части мотора (из головки блока цилиндров)
Благодаря этому на двигателе, ещё не успевшем набрать эксплутационную температуру, из дефлекторов все равно идёт приятный воздух. Отопитель имеет в собственной конструкции кран, который либо пропускает жидкость в отопительный прибор, либо сбрасывает её обратно. И от того, как сильно он открыт, зависит температура окружающей среды, выходящего из дефлекторов. Регулировка положения крана выполняется с панели управления отопителем. Кран оснащен электрическим приводом, который меняет положение заслонки. Также с панели управления возможно менять интенсивность обдува и направления. За интенсивность отвечает моторчик с крыльчаткой, от частоты вращения которой меняется интенсивность обдува.

Изменение положения заслонок изменяет направления обдува (в лицо, на ноги, на грудь, на стекло). Нагретая ОЖ из мотора по магистрали проникает в отопительный прибор печки, от этого он нагревается. В данное время через него проходит воздух, нагнетаемый вентилятором. Дальше он проходит по воздушным каналам ,заслонки которых открыты. Потом горячий воздух проникает в автомобильный салон и греет его. Для работ по ремонту или диагностики поломки данного оборудования есть электросхема, на которой обозначены все узлы электроустройств. И при поломках или при некорректной работе устройств нужно детально её прочитать, чтобы понимать, откуда запитано и чем изменяется вышедшее из строя устройство.

Когда знаешь рабочий принцип и устройство, намного легче ориентироваться при поломках. Ведь для успешного выполнения ремонта необходимо понимать причину поломки, иначе ремонт не будет сделан удачно. Для правильной диагностики также необходимо понимать метод действия всего механизма в общем. Сейчас водителю необязательно уметь ремонтировать автомобиль, есть станции техобслуживания, которые занимаются починками разной сложности. Но ведь бывает, что неполадка застала вас в дороге, и нет возможности воспользоваться услугами профессионалов. Вот тогда-то и пригодится знание автомобильного устройства и его механизмов. Когда знаешь, как устроена печка Газель, то при появлении поломки на другом авто будет легче ориентироваться при проведении ремонта или диагностике, так как во всех автомобилях они практически равные, кроме маленьких невидимых моментов. И вы без труда можете определять поломку.




























